Cylinders for Japanese Locks
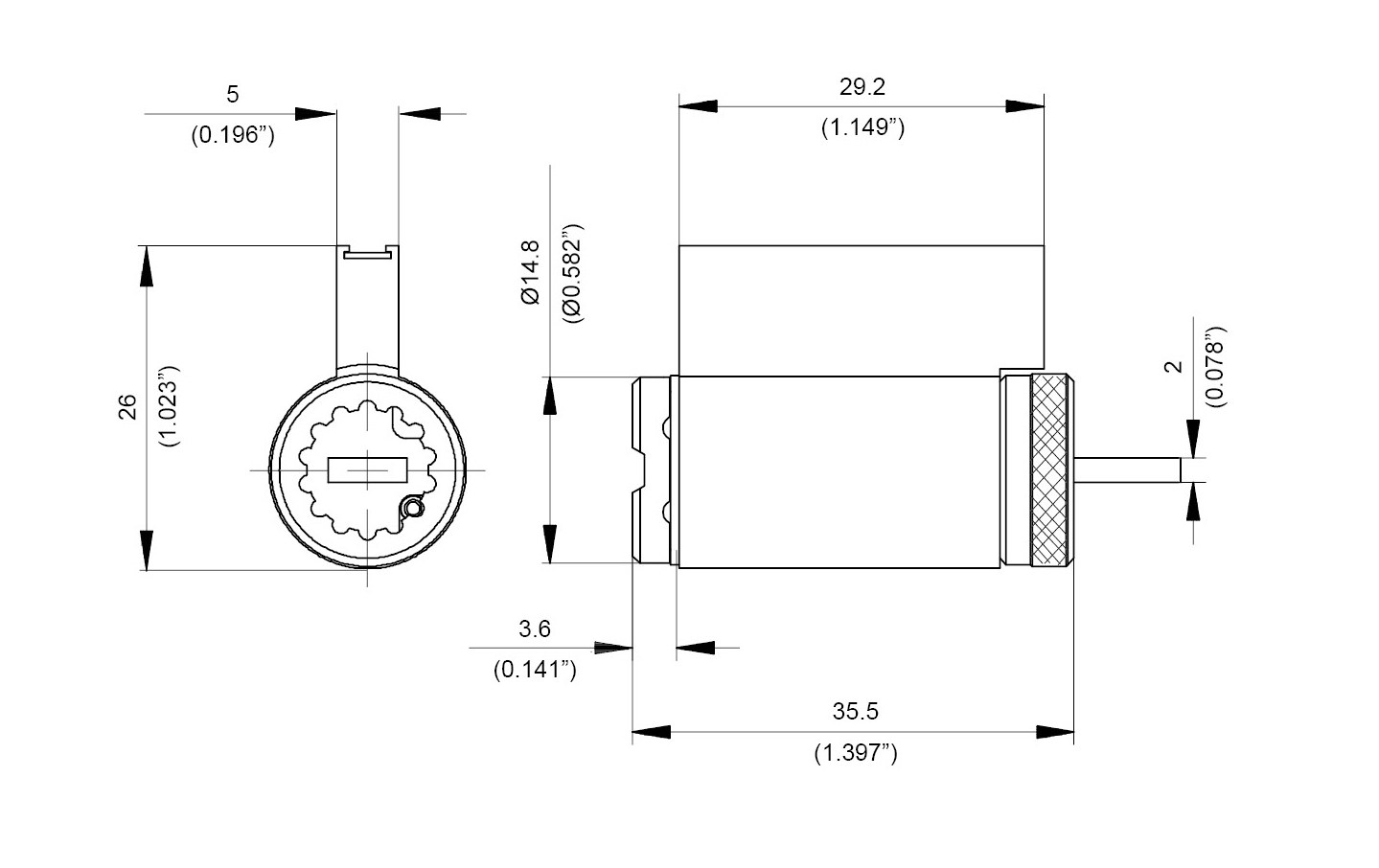
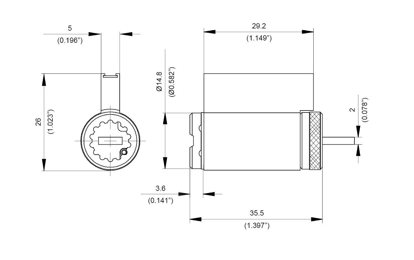
Cylinder for “Miwa” Type LIX & SWLSP Locks |
|
|
Application Compatible with "Miwa" LIX & SWLSP lock cases. Operation 360˚ rotation with operating key. Materials Body and plug: high-quality brass Tail: steel Pins: nickel silver and stainless steel Standard finishes Nickel satin; Shiny brass Special finishes Antique brass; SBH; CCSR (polished steel) Cylinder mechanism Mul-T-Lock's unique, high-precision pin tumbler system. Keys Reversible nickel silver key with plastic key head and colored insert. Also available in all nickel silver. Cylinder platforms Classic; Interactive®+ Cylinder options '3 IN 1' (changeable combination) Keyed different Keyed alike Master keyed Standards CPC
|
|
|
|
|
Cylinder for “Miwa” Type NDR Locks |
|
|
Application Compatible with "Miwa" NDR lock cases. Operation 360˚ rotation with operating key. Materials Body and plug: high-quality brass Tail: steel Pins: nickel silver and stainless steel Standard finishes Nickel satin; Shiny brass Cylinder mechanism Mul-T-Lock's unique, high-precision pin tumbler system. Keys Reversible nickel silver key with plastic key head and colored insert. Also available in all nickel silver. Cylinder platforms Classic; Interactive®+ Cylinder options '3 IN 1' (changeable combination) Keyed different Keyed alike Master keyed Standards CPC |
|
|
|
|
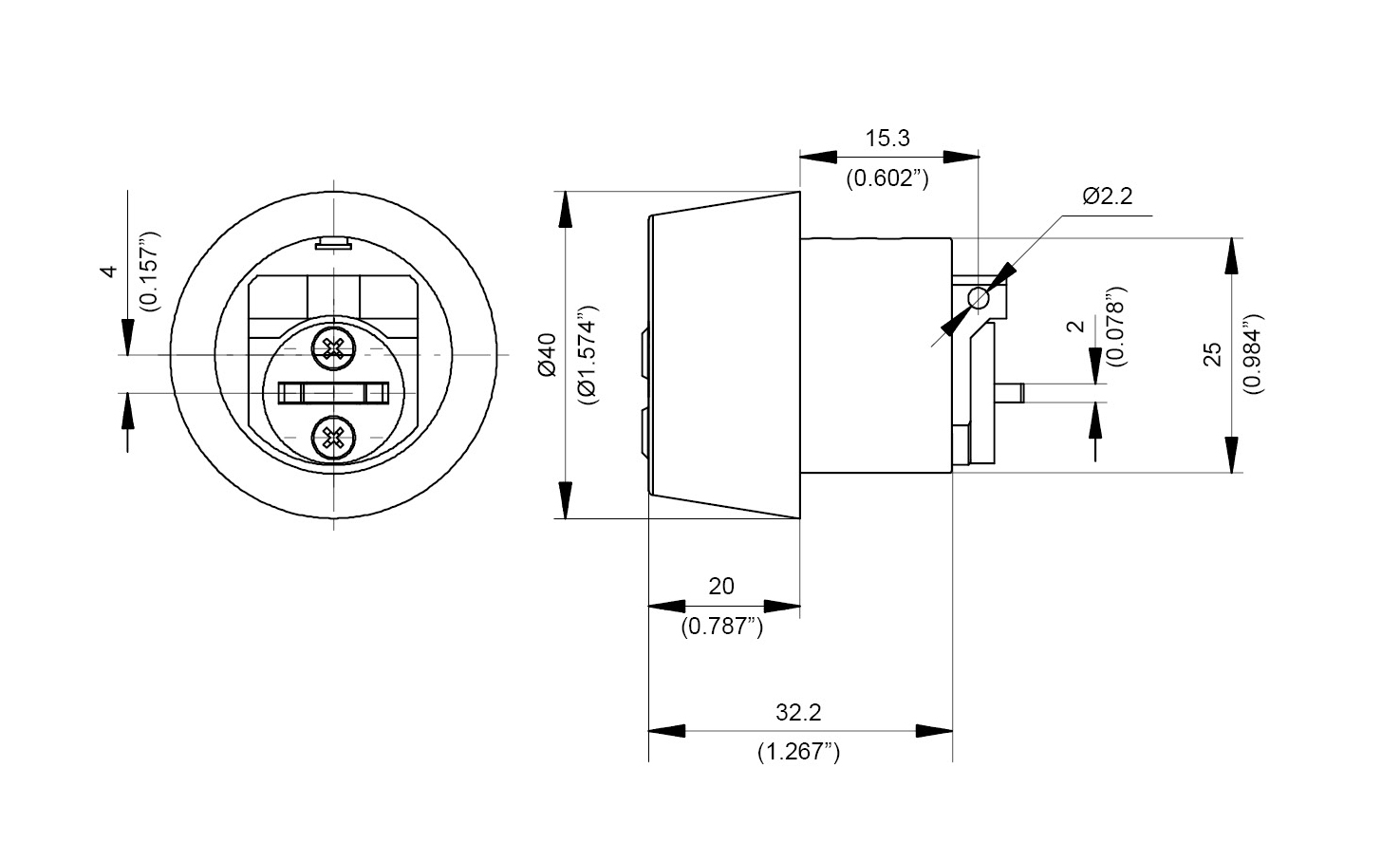
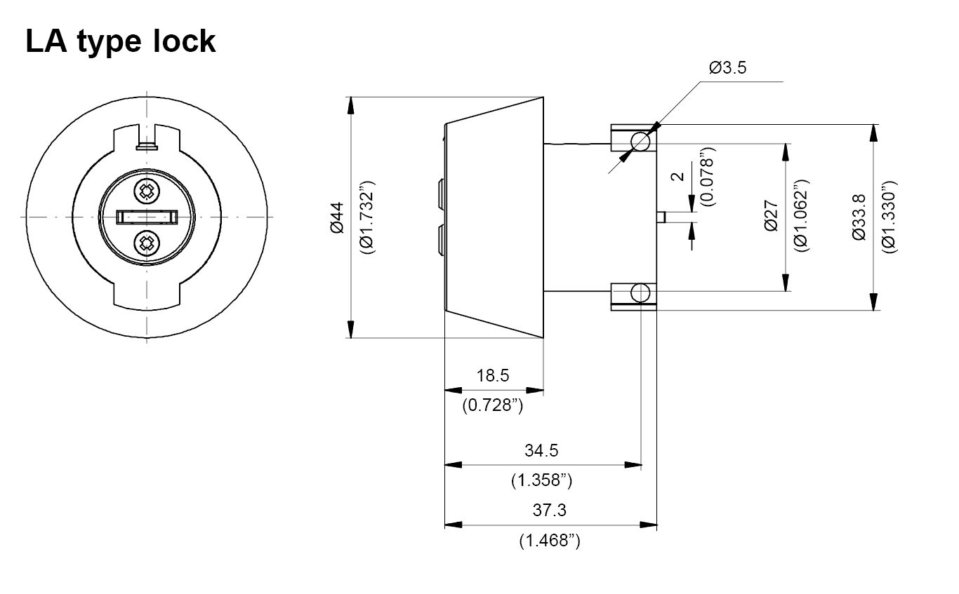
Cylinder for “Miwa” Type BH & LA Locks |
|
|
Application Compatible with "Miwa" BH & LA lock cases. Operation 360˚ rotation with operating key. Materials Body and plug: high-quality brass Pins: nickel silver and stainless steel Standard finishes Nickel satin Cylinder mechanism Mul-T-Lock's unique, high-precision pin tumbler system. Keys Reversible nickel silver key with plastic key head and colored insert. Also available in all nickel silver. Cylinder platforms Classic; Interactive®+ Cylinder options Keyed different Keyed alike Master keyed Standards CPC cylinder-for-miwa-type-bh-la-locks_bh_drw.jpg |
|
|
|
|
Cylinder for “Miwa” Type PMK Locks |
|
|
Application Compatible with "Miwa" PMK lock cases. Operation 360˚ rotation with operating key. Materials Body and plug: high-quality brass Pins: nickel silver and stainless steel Standard finishes Nickel satin Special finishes CCSR (polished steel) Cylinder mechanism Mul-T-Lock's unique, high-precision pin tumbler system. Keys Reversible nickel silver key with plastic key head and colored insert. Also available in all nickel silver. Cylinder platforms Classic; Interactive®+ Cylinder options Keyed different Keyed alike Master keyed Standards CPC
|
|
|
|
|
Cylinder for “Miwa” Type KS-112 Locks |
|
|
Application Compatible with "Miwa" KS-112 lock cases. Operation 360˚ rotation with operating key. Materials Body and plug: high-quality brass Tail: Steel Pins: nickel silver and stainless steel Standard finishes Nickel satin; Shiny brass Special finishes Antique brass; SBH; CCSR (polished steel) Cylinder mechanism Mul-T-Lock's unique, high-precision pin tumbler system. Keys Reversible nickel silver key with plastic key head and colored insert. Also available in all nickel silver. Cylinder platforms Classic; Interactive®+ Cylinder options '3 IN 1' (changeable combination) Keyed different Keyed alike Master keyed Standards CPC |
|
|
|
|
Cylinder for “Miwa” Type HPD Locks |
|
|
Application Compatible with "Miwa" HPD40KJ, HPD27KJ lock cases. Operation 360˚ rotation with operating key. Materials Body and plug: high-quality brass Tail: Steel Pins: nickel silver and stainless steel Standard finishes Nickel satin Special finishes CCSR (polished steel) Cylinder mechanism Mul-T-Lock's unique, high-precision pin tumbler system. Keys Reversible nickel silver key with plastic key head and colored insert. Also available in all nickel silver. Cylinder platforms Classic; Interactive®+ Cylinder options '3 IN 1' (changeable combination) Keyed different Keyed alike Master keyed Standards CPC |
|
|
|
|
Cylinder for “Miwa” Type RA Locks |
|
|
Application Compatible with "Miwa" RA lock cases. Operation 360˚ rotation with operating key. Materials Body and plug: high-quality brass Pins: nickel silver and stainless steel Standard finishes Nickel satin; Shiny brass Special finishes CCSR (polished steel) Cylinder mechanism Mul-T-Lock's unique, high-precision pin tumbler system. Keys Reversible nickel silver key with plastic key head and colored insert. Also available in all nickel silver. Cylinder platforms Classic; Interactive®+ Cylinder options Keyed different Keyed alike Master keyed Standards CPC |
|
|
|
|
Cylinder for “Showa” Type CL-50 Locks |
|
|
Application Compatible with "Showa" CL-50 lock cases. Operation 360˚ rotation with operating key. Materials Body and plug: high-quality brass Tail: steel Pins: nickel silver and stainless steel Standard finishes Nickel satin Cylinder mechanism Mul-T-Lock's unique, high-precision pin tumbler system. Keys Reversible nickel silver key with plastic key head and colored insert. Also available in all nickel silver. Cylinder platforms Classic; Interactive®+ Cylinder options '3 IN 1' (changeable combination) Keyed different Keyed alike Master keyed Standards CPC |
|
|
|
|
Cylinder for “Goal” Type AS.LX Locks |
|
|
Application Compatible with "Goal" AS.LX lock cases. Operation 360˚ rotation with operating key. Materials Body and plug: high-quality brass Tail: steel Pins: nickel silver and stainless steel Standard finishes Nickel satin; Shiny brass Cylinder mechanism Mul-T-Lock's unique, high-precision pin tumbler system. Keys Reversible nickel silver key with plastic key head and colored insert. Also available in all nickel silver. Cylinder platforms Classic; Interactive®+ Cylinder options '3 IN 1' (changeable combination) Keyed different Keyed alike Master keyed Standards CPC |
|
|
|
|
Cylinder for “Goal” Type K.I.K. UC-6 Locks |
|
|
Application Compatible with "Goal" UC-6 K.I.K. knob sets. Operation 360˚ rotation with operating key. Materials Body and plug: high-quality brass Tail: steel Pins: nickel silver and stainless steel Standard finishes Nickel satin Cylinder mechanism Mul-T-Lock's unique, high-precision pin tumbler system. Keys Reversible nickel silver key with plastic key head and colored insert. Also available in all nickel silver. Cylinder platforms Classic; Interactive®+ Cylinder options '3 IN 1' (changeable combination) Keyed different Keyed alike Master keyed Standards CPC |
|
|
|
|
Cylinder for “Goal” Type K.I.K. AD Locks |
|
|
Application Compatible with "Goal" AD K.I.K. knob sets. Operation 360˚ rotation with operating key. Materials Body and plug: high-quality brass Tail: steel Pins: nickel silver and stainless steel Standard finishes Nickel satin Cylinder mechanism Mul-T-Lock's unique, high-precision pin tumbler system. Keys Reversible nickel silver key with plastic key head and colored insert. Also available in all nickel silver. Cylinder platforms Classic; Interactive®+ Cylinder options Keyed different Keyed alike Master keyed Standards CPC |
|
|
|
|





